Шифр НА-294 Витражи из алюминия и стали для типовой общеобразовательной школы на 30 классов в панельных конструкциях V-76 вариант 2 (1982 г.)
-
Доступные форматы:TIF
-
Количество листов:58 листов
-
Цена:4 750 руб Запросить цену
Типовой проект - это разновидность строительного проекта, разработанного для многократного применения. Обычно типовой проект соответствует современной стадии "Рабочий проект". В состав проекта , как правило входят разделы АР, ОВ, ВК,ЭЭ, Сметы и Ведомости потребности в материалах.
ООО "ВЦИС" с 2000 года осуществлял покупку и оцифровку архивов бывшего Центрального Института типового проектирования и его филиалов. В 2018 году закончен процесс консолидации архивов ЦИТП им. Орджоникидзе, УКРТИППРОЕКТ, СИБТИППРОЕКТ, Уралтиппроект, Минсктиппроект, ЦИТП
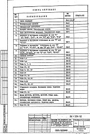
В нашем архиве более 27 тысяч проектов с документацией и более 120 тысяч паспортов проектов без типовых проектов. Паспорт проекта -это краткое описание типового проекта . Паспорт проекта всегда разрабатывался вместе с проектом и являлся кратким его описанием. Обычно объем паспорта- 1-3 листа, но в каждом конкретном случае размер и содержание паспорта определял разработчик проекта.
Паспорт проекта продается только через ONLINE режим покупки . Формат паспорта проекта- PDF.
Внимание ! Паспорт проекта не является типовым проектом и не заменяет его.
Перед покупкой рекомендуем ознакомиться с Пример паспорта проекта
ООО "ВЦИС" осуществляет продажу типовых проектов, частей типовых проектов и паспортов проектов физическим и юридическим лицам.
Для физических лиц доступна покупка ONLINE через платежные шлюзы банков в соответствии с действующим законодательством.
Для юридических лиц доступна безналичная оплата с расчетного счета организации по выставленному счету. Мы работаем без НДС. Отгрузка осуществляется на электронную почту. Бухгалтерские документы отправляются Почтой России.
ООО "ВЦИС" осуществляет продажу типовых проектов, частей типовых проектов и паспортов проектов физическим и юридическим лицам в Казахстане.
Для юридических лиц доступна оплата с расчетного счета организации по выставленному счету внутри Казахстана. Валюта оплаты- Тенге. Отгрузка осуществляется на электронную почту.
На данный момент ведутся работы по подключению эквайринга в Казахстане. Оплата будет возможна через банковские карты. Отгрузка осуществляется на электронную почту.
Отгрузка проекта (ов) или частей проектов осуществляется в электронном виде на контактную электронную почту заказчика.
На текущий момент все типовые проекты имеют статус "Справочный материал для проектирования". Основанием для привязки проектов являются условия перечисленные в 49 статье Градостроительного Кодекса РФ
Типовой проект в формате TIF- это скан-копия ,сделанная на профессиональном широкоформатном сканере с разрешением не ниже 200 dpi. Практически 95 % скан-копий в нашем архиве сделаны с хранящихся у нас оригиналов на кальках.
Все чертежи в формате DWG начерчены нашими специалистами "руками" в AutoCad 2016 в пространстве листа. Машинный перевод в DWG мы не применяем.
На какие запросы и в какой срок мы отвечаем, а на какие запросы не отвечаем и почему.
Мы с удовольствием в течении 20 минут ответим на запрос относительно:
- любого вопроса относительно наличия/отсутствия типового проекта в нашем архиве, при наличии достаточных параметров для поиска, а именно: номер проекта (в идеале), параметров объекта с размерами, фото фасадов и годом строительства
- любого вопроса , касающегося разъяснения процедуры покупки/отгрузки
- наличия/отсутствия в конкретном проекте (при наличии чертежей, а не только паспорта проекта) нужных разделов
Мы оставляем без рассмотрения запросы относительно:
- поделиться/дать посмотреть/только узнать/мне всего одна цифра и т.п. Продажа типовых проектов является основным видом деятельности нашей организации и подобные просьбы оставляются без внимания.
- возврата денежных средств за купленный паспорт проекта по причине того, что ошиблись. Если ошиблись в виде исключения мы можем отправить паспорт другого запрошенного вами проекта (похожего), но это все индивидуально.
- любые запросы вида " У нас пятиэтажка в городе У... 1972 года" и нужен проект . Здесь нужен волшебник, а не специалист по типовым проектам.
- любые запросы на поиск современного проекта без четкого технического задания. Мы ценим свое время и не тратим его просто так.
Во всем остальном мы очень вежливые и отзывчивые! Пишите и звоните.








